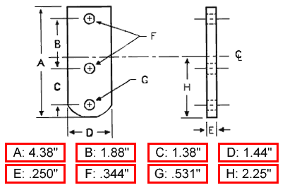
WB# 3326
X-348 "C" Attachment